8. Klasifikace těžitelnosti
hornin
Zjišťování a určování
těžitelnosti jsou jedním z nejdůležitějších úkolů inženýrskogeologického průzkumu pro různé typy staveb
(dopravní stavby, základy budov, tunely, inženýrské sítě, kanalizace apod.). Rozsah zjišťování této vlastnosti
závisí především na typu stavby, geologických a geomorfologických poměrech
zájmové lokality. Stanovení tříd těžitelnosti je důležité mimo jiné
pro sestavení technologického postupu zemních prací, časového harmonogramu a
finančního rozpočtu při realizaci stavebního záměru.
Cílem
této kapitoly je vysvětlení významu těžitelnosti,
zatřiďování daného inženýrskogeologického, resp. geotechnického typu do tříd
těžitelnosti, možností zjištění orientačních hodnot těžitelnosti (v přílohách k
mapám inženýrsko-geologického rajónování, archivních zprávách) a způsobu
zaznamenání tříd těžitelnosti v závěrečných zprávách průzkumů.
Zemní práce jsou práce, které se zabývají
rozpojováním hornin, přemísťováním výkopku, případně sypaniny, jejich sypáním
včetně jejich případného zpevňování a jinými úpravami souvisejícími s těmito
pracemi.
Rozpojitelnost horniny lze definovat jako
odolnost horniny vůči působení nástroje, kterým se oddělují její části. Závisí
na vlastnostech rozpojovaných hornin a horninových masívů, parametrech
rozpojovacího stroje a technickém režimu jeho práce. Rozpojitelnost je možné
vyjádřit množstvím práce potřebné k rozpojení objemové jednotky horniny.
Pro praktické posouzení se využívá souhrnného ukazatele odporu horniny proti
rozpojení, podle něhož se horniny začleňují do tříd. Stanovení tohoto
souhrnného ukazatele je však nesnadné.
Těžitelnost horniny závisí na odporu, který
klade hornina vůči rozpojení, a na dalších okolnostech, jako je ulpívání
(lepivost) horniny na pracovních pomůckách, nakypření horniny a odpor horniny
při jejím nakládání a vyklápění. Mírou těžitelnosti je množství práce, potřebné
na vykonání uvedených činností. Těžitelnost horniny však nelze stanovit
z důvodu absence zkušebního postupu.
Posouzení hornin z hlediska rozpojitelnosti a těžitelnosti je součástí inženýrskogeologického průzkumu a vychází
z klasifikace stanovené ČSN 73 3050 Zemní práce, podle níž se
horniny zatřiďují do 7 tříd dle
obtížnosti jejich rozpojování a odebírání. Tyto třídy se dle dohody nazývají třídy těžitelnosti.
1. třída těžitelnosti
Horniny
a)
soudržné, měkké konzistence, Ic = 0,05 až 0,75,
Ip
< 17.
např.:
ornice, hlína, písčitá hlína, hlinitý písek.
b) nesoudržné
ba) kypré, ID
< 0,33 se zrny do
bb) se zrny nad
např.: písek, písek se štěrkem,
písčitý štěrk, jemnozrnný a střednězrnný štěrk, příp. štěrk s kameny.
c) stavební odpad a navážka obdobného charakteru jako
horniny řazené do 1. třídy.
2. třída těžitelnosti
Horniny
a)
soudržné, tuhé konzistence, Ic = 0,75 až 1,00,
Ip
< 17.
např.: ornice, hlína, prachovitá
hlína (spraš), písčitá hlína, hlinitý písek, rašelina, zrašeliněná zemina.
b) nesoudržné
ba) středně ulehlé, ID = 0,33 až 0,67 se
zrny do
bb) se zrny nad
bc) se zrny nad
např.:
písčitý štěrk, střednězrnný a hrubozrnný štěrk, příp. s kameny.
c) stavební odpad a navážka obdobného charakteru
jako horniny zařazené do 2. třídy.
3. třída těžitelnosti
Horniny
a) soudržné
aa) pevné a tvrdé konzistence, Ic >
1,00, Ip < 17,
ab) měkké až pevné
konzistence, Ic = 0,05 až 1,2
Ip ‗ 17.
b) nesoudržné
ba) ulehlé, ID > 0,67 se zrny do
bb) se zrny nad
bc) se zrny nad
např.:
písčitý hrubý štěrk, hrubý štěrk, příp. štěrk s kameny.
c) nesoudržné, zařazené do
d) zvětralé pevné horniny s velmi oslabenou
strukturní vazbou, technicky hodnocené jako jílovito- písčité a skeletové
zeminy, příp. zvětraliny.
např.: eluvia, tektonicky porušené zóny,
hydrotermálně rozložené horniny.
e) stavební odpad a navážka obdobného charakteru
jako horniny zařazené do 3. třídy.
4. třída těžitelnosti
Horniny
a) soudržné, pevné a tvrdé konzistence, Ic > 1,20
Ip
‗ 17.
např.: jíl, písčitý jíl, jílovitá hlína, písčitá hlína,
prachovitá hlína.
b) nesoudržné
ba) se zrny nad
bb) se zrny nad
např.: hrubý štěrk a kameny,
příp. štěrk s balvany.
c) nesoudržné, zařazené do
d) pevné navětrané a
zvětrané.
např.: navětrané
jílovce, slínovce, prachovce, vulkanické tufy, tufity, zvětrané pískovce,
břidlice, měkké vápence, písčité slínovce (opuky).
e) pevné zvětrané,
značně rozpukané. Hornina je porušena podél puklin a při jejím rozpojení se
rozvolnění šíří do okolí záběru. Jednotlivé kusy zrnitosti odpovídají
nesoudržným horninám 4. třídy.
např.: značně
rozpukané žuly, ruly, andezity, vápence a křemence.
f) kašovité a tekuté
konzistence, Ic < 0,05.
např.: bahnité
náplavy, tekutý písek, silně rozložená rašelina kašovité konzistence.
5. třída těžitelnosti
Horniny
a) nesoudržné
aa) se zrny nad
ab) se zrny nad
např.: hrubý štěrk s kameny, balvany.
b) nesoudržné,
zařazené do 4. třídy, spojené soudržným tmelem, který má vlastnosti 5. třídy, ods. a), jestliže jejich zrna zůstávají po
rozpojení horniny v hrudkách.
např.: hrubý
štěrk s jílovitým nebo hlinitým tmelem.
c) pevné, zdravé, ve
vrstvách o mocnosti do
např.: slepenec
s jílovitým tmelem, jílovec, jílovité, písčité, fylitické, chloritické
břidlice, pískovec s jílovitým nebo slinitým tmelem, travertin, písčitý
slínovec (opuka).
d) pevné, vyvřelé,
přeměněné a usazené, navětrané, rozpukané s plochami odlučnosti vzdálenými
méně než
např.: navětraná
žula, navětraná rula, navětraný andezit, navětraný křemenec, navětraný
pískovec.
e) navážka obdobného
charakteru jako horniny zařazené do 5. třídy.
f) zmrzlé zeminy.
6. třída těžitelnosti
Horniny
a) nesoudržné
aa) s balvany se
zrny nad
ab) s balvany se zrny nad objem
b) pevné, vyvřelé a
přeměněné zdravé, s plochami odlučnosti vzdálenými do
např.: žula,
rula, andezit, čedič, křemité břidlice, svor, svorová rula, pórovitý čedič,
fylit.
c) pevné usazené, zdravé,
se vzdáleností ploch odlučnosti do
např.: hrubě
úlomkovité až balvanovité slepence a aglomeráty s vápnitým a slinitým
tmelem, vápence, droby, pískovce s vápnitým a křemito-vápnitým tmelem,
dolomit.
7. třída těžitelnosti
Horniny
a) nesoudržné se zrny nad objem
b) pevné, zdravé,
masivní nebo s nepravidelnou odlučností (polyedrickou), kulovitou,
sloupcovitou apod. s jednotlivými zaklíněnými hranami, s plochami
odlučnosti vzdálenými od sebe víc než
např.: křemence,
křemité žuly, křemité ruly, diority, diabasy, čediče s hrubě sloupcovitou
odlučností, spility, buližníky, rohovce, gabra, andezity, amfibolity,
granulity, granodiority, slepence s křemitým tmelem, rohovcové vápence,
žilné křemence, znělce.
Třídy těžitelnosti lze také charakterizovat pomocí způsobu rozpojování daných hornin.
1. třída - sypké horniny se dají
nabírat lopatou, nakladačem;
2. třída - rypné horniny
rozpojitelné rýčem, nakladačem;
3. třída - kopné horniny
rozpojitelné krumpáčem, rypadlem;
4.
třída - drobivé pevné horniny rozpojitelné klínem, rypadlem;
5. třída - lehce trhatelné pevné horniny rozpojitelné
rozrývačem, těžkým rypadlem (nad 40 t), trhavinami;
6. třída - pevné horniny
těžko trhatelné těžkým rozrývačem, trhavinami;
7. třída - pevné horniny
velmi těžko trhatelné, rozpojitelné trhavinami.
Toto
charakterizování v platné normě ČSN 73 3050 je poněkud zastaralé, jelikož
v dnešní době již existují stroje, které přímo, bez předchozího
rozpojování, těží horniny 1.- 4. třídy těžitelnosti. Skalní horniny tříd 5 až 7
je stále nezbytné před vlastní těžbou rozpojovat rozrýváním, rozlamováním nebo
odstřelem, přičemž horniny tříd 5 až 6 jsou svou rypnou silou schopna
rozpojovat a těžit dnešní výkonná těžká rypadla. Horniny 5.- 7. třídy
těžitelnosti lze mimo řízeného odstřelu rozpojovat také hydraulickými bouracími
kladivy (Čápová, 2006).
Pro
praktické použití jsou třídy těžitelnost uvedeny v tabulce 8.1.

Těžitelnost
zhoršují osamělé kameny o objemu do
Těžitelnost
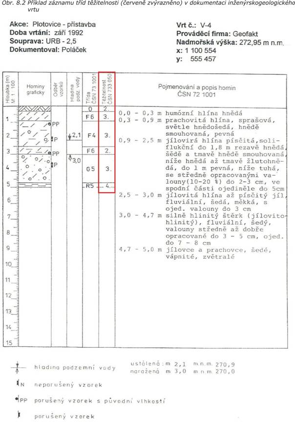
jakožto důležitá technologická vlastnost
hornin je uváděna např. v dokumentaci inženýrskogeologických vrtů (obr. 8.1, obr. 8.2), kopaných sond (obr. 8.3), sondových rýh (obr. 8.4) a inženýrskogeologických
řezů (obr. 8.5, obr. 8.6) ve formě záznamu tříd
těžitelnosti.






Pro získaní prvotních informací o nově posuzované zájmové lokalitě
z hlediska těžitelnosti lze využít přílohy k mapám
inženýrskogeologického rajónování, v nichž jsou jednotlivé
inženýrskogeologické rajóny orientačně charakterizovány mimo jiné třídami
těžitelnosti (obr. 8.7a a obr. 8.7b) nebo archivních závěrečných
zpráv inženýrskogeologických resp. geotechnických průzkumů z blízkého
okolí.

V následujícím textu jsou
uvedeny vybrané základní termíny vztahující
se k zemním pracem (ČSN 73 3050).
Hornina je zpevněná nebo
nezpevněná směs zrn jednoho nebo více minerálů, případně směs minerálů a úlomků
starších hornin.
Pevná hornina je
zpevněná hornina charakterizovaná pevností pro skalní a poloskalní horniny dle
ČSN 73 1001.
Zemina je nesoudržná nebo
soudržná nezpevněná lehce rozpojitelná hornina.
Zemní práce jsou
práce, které se zabývají rozpojováním hornin, přemísťováním výkopku, případně
sypaniny, jejich sypáním včetně jejich případného zpevňování a jinými úpravami
souvisejícími s těmito pracemi.
Zemní objekt je
stavební dílo, které je výsledkem zemních prací. Zemní objekty se podle způsobu
jejich budování (odebíráním nebo hromaděním výkopku, příp. sypaniny) třídí na:
a) výkopy
b) sypané konstrukce
Vykopávka je rozpojování horniny,
odebírání výkopku s jeho odhozením nebo naložením na dopravní prostředek.
Výkop je zemní objekt, který
se tvaruje vykopávkou se současným vytvářením svahů a dna s jejich
případným urovnáním a roubením.
Roubení je dočasná stavební
konstrukce, která chrání stěny výkopku proti sesuvu.
Výkopek je hornina rozpojená
vykopávkou.
Výkopiště je místo vykopávky.
Zemník je výkopiště určené na
získávání sypaniny.
Sypaná konstrukce je
zemní objekt budovaný sypáním (příp. včetně zabezpečení jeho stability
zhutňováním přídavnými tmely, vyztužením vložkami, drény apod.).
Sypanina je materiál určený na
budování sypané konstrukce (např. výkopek, rubanina z tunelů a dolů,
odpadový materiál z průmyslu, škvára nebo struska).
Výsypka je místo sypání
sypaniny.
Násyp je sypaná konstrukce
vybudovaná na povrchu území.
Zásyp je sypaná konstrukce,
která vyplňuje prostory pod úrovní terénu.
Obsyp je násyp nebo zásyp určený
na ochranu stavebních konstrukcí.
Svahování je zemní úprava tvaru
trvalých svahů se sklony menšími než 1:5 (včetně přemístění sypaniny na
vyrovnávání prohlubní ve svahu).
Úprava pláně je
zemní úprava tvaru plochy území se sklonem do 1:5.
Pažení je plochá výplň
roubení, která je v přímém styku se zeminou.
Nakypření je přírůstek objemu
horniny oproti původnímu stavu vzniklý jejím rozpojením; vyjadřuje se poměrem
objemu nakypřené horniny k objemu v jejím původním stavu.
Důležitou součástí zemních prací
je stanovení sklonu svahů dočasných
výkopů (obr. 8.8), například
stavebních jam, rýh, hloubených zářezů (ČSN 73 3050).

Navrhování
šikmých stěn svahů výkopů je prováděno v případě, jestliže je to
z hlediska výstavby ekonomicky nebo technicky nevyhnutelné. Určení sklonu svahu podmiňuje především
zaručení bezpečnosti práce, fyzikálně-mechanické vlastnosti horniny (hlavně
úhel vnitřního tření a soudržnost), doba po kterou bude otevřen výkop.
Pro přehled přibližných sklonů šikmých svahů
některých druhů zemin v dočasných
výkopech, které budou po vykonání stavebních prací zasypány a jejich
hloubka nepřesahuje 3m, je uvedena tab.
8.2. Pro využití těchto hodnot musí být splněny zásady jako kontrola svahů a okrajů výkopů na začátku směny a po
každém přerušení prací, zamezení používání mechanizace v blízkosti výkopu
nebo přídavných zatížení v prostoru smykového klínu zeminy a
v případě zvětšeného obsahu vody zajištění zmírnění sklonu. V případě
nedodržení výše uvedených podmínek
je potřeba zabezpečit svah dle výpočtu
stability uvedeného v návrhu.

Pro trvalé sklony svahů výkopů do
8.1 Zadání programu
1. Orientačně zjistěte
třídy těžitelnosti hornin v okolí vašeho bydliště z mapy
inženýrskogeologického rajónování, a to u prvních dvou, případně tří vrstev
nebo jiných geologických těles uložených nejblíže povrchu terénu.
2. Určete a graficky
znázorněte sklon svahu stavební jámy hloubené v těchto horninách (od
povrchu):
a) hlína, hlinitý písek, balvanovitý písek,
b) prachovitá hlína, jílovitá hlína, jíl,
c) jílovitý písek, jílovitý štěrk, písčitý štěrk.
3. Zdokumentujte výkop
s vyznačením tříd těžitelnosti hloubený v okolí vašeho bydliště.
ZPĚT NAHORU ZPĚT NA TEXTOVOU MULTIMEDIÁLNÍ ČÁST ZPĚT NA ÚVODNÍ STRANU