home
úvodem
základní pojmy
historie využívání nerostů
geneze a klasifikace ložisek
tvary ložiskových těles
textury a struktury mineralizace
ložiska rud
ložiska nerud
ložiska energetických surovin
ložiska ČR
legislativa
míry váhy, použité zkratky
autoři

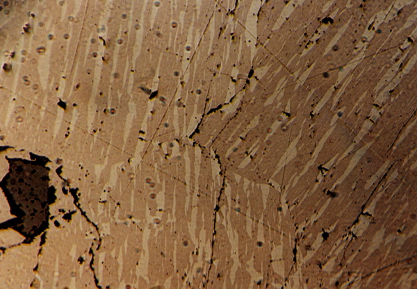
EUTEKTICKÁ (ODMÍŠENINOVÁ) STRUKTURA

 

 

Eutektická (odmíšeninová) struktura lamel hematitu v ilmenitu.

Lac Tio, Quebek, Kanada. Nábrus, šířka 1 cm.

Sbírka P. Ramdohr, foto P. Láznička, 1988.